E-cesta / E-grad

HT MINI kazetni motor stražnje glavčine

HT MINI 8-10 brzinski kazetni motor s glavčinom dizajniran je za e-gradske i cestovne bicikle, što ga čini jednim od najmanjih motora s glavčinom s vanjskim rotorom na tržištu. Sadrži kompaktan i lagan dizajn koji teži samo 1,95 kg, s nazivnom snagom od 220 W i preko 30 Nm okretnog momenta, dostupna je kazeta sa senzorom zakretnog momenta. Motor može doseći do 250 W s momentom zaustavljanja od 40 Nm. Dizajn vanjskog rotora smanjuje kumulativne pogreške, povećavajući trajnost i stabilnost.

Ključni parametar
Struktura motora: Nazivni napon (V): Nazivna snaga (W):
Outrunner Hub Motor 36-48 (prikaz, ostalo). 180-250 (prikaz, ostalo).
Najveći zakretni moment (N.m.): Težina (KG): STARI (mm):
40 2,18 (220w) 142
detaljne informacije
  • HT MINI kazetni motor stražnje glavčine
  • HT MINI kazetni motor stražnje glavčine
Ningbo Yinzhou HENTACH Electromechanical Co., Ltd. Product Parameters Ningbo Yinzhou HENTACH Electromechanical Co., Ltd. Drawing Ningbo Yinzhou HENTACH Electromechanical Co., Ltd. Contact Us

Osnovni podaci

Nazivna snaga 180-250 (prikaz, ostalo).
Nazivni napon 36-48 (prikaz, ostalo).
Promjer kotača 20-28 (prikaz, ostalo).
Raspon brzine 25-38 (prikaz, ostalo).
Maksimalni okretni moment 40
Prijenosni omjer 5
Težina (KG) 2,18 (220w)

Instalacijski parametri

kočnica Disk kočnica
Kaseta senzora momenta da
Trasa kabliranja Osovina središnja desna
Otvor za žbice 2-18-F3.2
Ocjena vodootpornosti IP54 (do IP65)
Zamašnjak/lančanik KAFI 7-10 brzina
Certifikati TUV/EN15194/RoHS

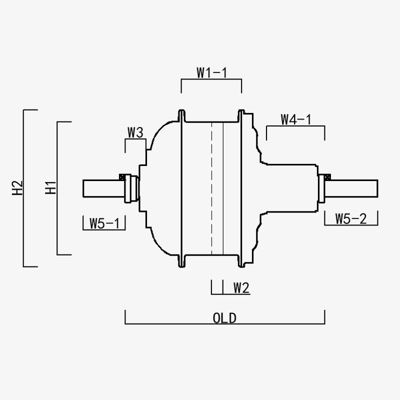
H1/ OD: 95.5
H2/OD motora: 112.5
W1(-1/-2): 43
W2: 8
W3: 15
W4(-1/-2): 42.5
W5(-1/-2): 30/39
STARI: 142
Duljina osovine: 211
Ningbo Yinzhou HENTACH Electromechanical Co., Ltd.
kontaktirajte nas
  • Pošaljite i pošaljite
Ningbo Yinzhou HENTACH Electromechanical Co., Ltd.
ŠTO NAS IZDVAJA
  • Motor ima vanjski promjer od 95 mm, s 10-brzinskim kazetnim zamašnjakom, teži samo 2,15 kg, ultra lagan motor s vanjskim rotorom i zakretni moment do 40 NM. Partner za e-bicikle.

  • Patentirani plastični čelični zupčanik: 5 puta veći okretni moment od najlonskih zupčanika; životni vijek veći od 40.000 kilometara; manja postprodaja

  • Motor s vanjskim rotorom: stabilnija struktura od unutarnjeg rotora, niža stopa kvarova

TKO SMO MI Više od 20 godina proizvodnog iskustva.

Ningbo Yinzhou HENTACH Electromechanical Co., Ltd. (Prije Hengtai Motor) Osnovani 1995. i ranije poznati kao "Hengtai Motor" (kineski naziv naše tvrtke), službeno smo prihvatili engleski naziv "HENTACH Motor" 2020. Oba imena predstavljaju istog pouzdanog proizvođača posvećenog elektromehaničkim inovacijama više od 30 godina. Specijalizirani za lijevanje i preciznu obradu minijaturnih istosmjernih motora, motora s glavčinama električnih/motocikla i aluminijsko-magnezijskih legura za električna vozila, kombiniramo rigorozan sustav kontrole kvalitete ISO 9001, zrele prakse upravljanja i vrhunsku opremu za proizvodnju/ispitivanje kako bismo pružili pouzdana rješenja.

A nyersanyagöntéstől a végtermék kiszállításáig terjedő, teljes körű szolgáltatásainkkal változatos piacokat szolgálunk ki, beleértve az elektromos kerékpárokat, tehergépjárműveket, önvezető járműveket (AGV), golfkocsikat, mezőgazdasági gépeket és e-gokartokat. Több mint 9000 négyzetméteres telephelyünkön (5000 négyzetméter beépített terület) több mint 60 egységnyi fejlett gyártóberendezés található, beleértve az 500 tonnás nyomásöntő gépeket, precíziós CNC szerszámgépeket, lézeres jelölőrendszereket, mikroíves oxidációs sorokat és két dedikált elektromos járműmotor-tesztpadot. Ez az infrastruktúra biztosítja a hatékony termelést és a nemzetközi minőségi szabványok szigorú betartását.

U HENTACH-u (Hengtai) dajemo prednost visokokvalitetnim materijalima i zaštićenoj tehnologiji—naša patentirana oprema od najlona i čelika dokaz je naše inženjerske izvrsnosti. Kako bismo potvrdili trajnost, jednom smo pokrenuli program jamstva kilometraže za motore veće od 30.000 milja. Rezultat? Preko 50 motora ne samo da je ispunilo ovo mjerilo, već ga je i nadmašilo, a neki su dosegnuli impresivnih 50 000 milja. Ova izvedba u stvarnom svijetu odražava našu nepokolebljivu usredotočenost na pouzdanost i motivira nas na stalne inovacije za pametnija, jača motorna rješenja.​
Vjerujte robnoj marki poznatoj u svijetu i kao Hengtai Motor i HENTACH Motor—gdje se patentirana inovacija čeličnih zupčanika susreće s dokazanom izdržljivošću.

Ovjerio Certifikati