e-mast/e-teret

S-Type Pro RC motor stražnje glavčine

Motor stražnje glavčine S-Type Pro RC dizajniran je za E-Cargo i E-Fat bicikle, a nudi nazivnu snagu od 750 W do 1500 W. Sadrži kasetu s 8-10 brzina, ispad od 190 mm, najveći zakretni moment preko 145 Nm. Ovaj motor pruža snažnu vuču u uvjetima niske brzine, osiguravajući stabilnu sposobnost penjanja na strmim padinama, mekom pijesku ili skliskom terenu. Opremljen HT-ovim patentiranim metalnim najlonskim zupčanicima, pet je puta jači od tradicionalnih najlonskih zupčanika, traje preko 40.000 km i značajno smanjuje troškove održavanja. U primjenama motora glavčine e-bicikla iznad nazivne snage od 1000 W, samo HT-ovi zupčanici od plastike i čelika mogu izdržati kontinuirane momente iznad 100 Nm.

Ključni parametar
Struktura motora: Nazivni napon (V): Nazivna snaga (W):
/ 36-60 (prikaz, stručni). 600-1500 (prikaz, stručni).
Najveći zakretni moment (N.m.): Težina (KG): STARI (mm):
145 6 190
detaljne informacije
  • S-Type Pro RC motor stražnje glavčine
  • S-Type Pro RC motor stražnje glavčine
Ningbo Yinzhou HENTACH Electromechanical Co., Ltd. Product Parameters Ningbo Yinzhou HENTACH Electromechanical Co., Ltd. Drawing Ningbo Yinzhou HENTACH Electromechanical Co., Ltd. Contact Us

Osnovni podaci

Nazivna snaga 600-1500 (prikaz, stručni).
Nazivni napon 36-60 (prikaz, ostalo).
Promjer kotača 20-26 (prikaz, ostalo).
Raspon brzine 35-65 (prikaz, ostalo).
Maksimalni okretni moment 145
Prijenosni omjer 5
Težina (KG) 6

Instalacijski parametri

kočnica Disk kočnica
Kaseta senzora momenta br
Trasa kabliranja Lijeva strana osovine
Otvor za žbice 2-18-F3.2
Ocjena vodootpornosti IP54 (do IP65)
Zamašnjak/lančanik Kafe 7-10 brzina
Certifikati TUV/EN15194/RoHS

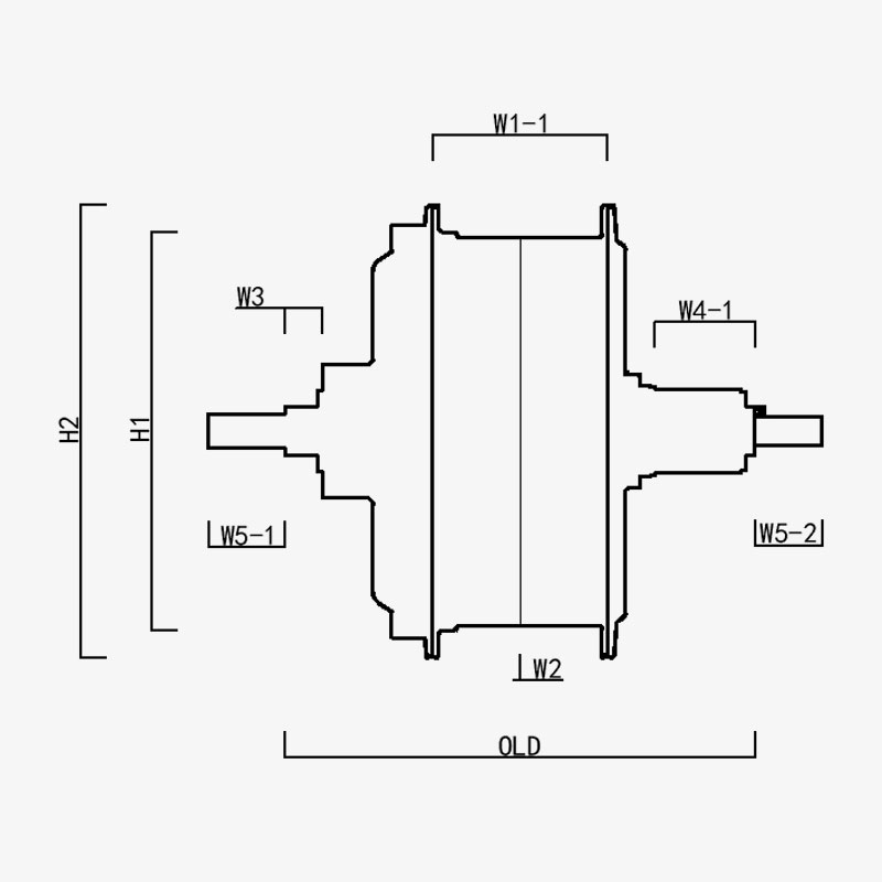
H1/ OD: 162
H2/OD motora: 183
W1(-1/-2): 70.8
W2: 0
W3: 15.2
W4(-1/-2): 40.5
W5(-1/-2): 31/27
STARI: 190
Duljina osovine: 248
Ningbo Yinzhou HENTACH Electromechanical Co., Ltd.
kontaktirajte nas
  • Pošaljite i pošaljite
Ningbo Yinzhou HENTACH Electromechanical Co., Ltd.
ŠTO NAS IZDVAJA
  • Snažni motor glavčine sa stražnjim pogonom s otvorenim zupčanicima od 190 mm i nazivnom snagom do 1500 W.

  • Izumljeni patentirani plastični zupčanici: 5 puta veći okretni moment od najlonskih zupčanika; životni vijek veći od 40.000 km; manja postprodaja

  • Zakretni moment do 145 NM ili više, dizajniran za efat/Cargo.

TKO SMO MI Više od 20 godina proizvodnog iskustva.

Ningbo Yinzhou HENTACH Electromechanical Co., Ltd. (Prije Hengtai Motor) Osnovani 1995. i ranije poznati kao "Hengtai Motor" (kineski naziv naše tvrtke), službeno smo prihvatili engleski naziv "HENTACH Motor" 2020. Oba imena predstavljaju istog pouzdanog proizvođača posvećenog elektromehaničkim inovacijama više od 30 godina. Specijalizirani za lijevanje i preciznu obradu minijaturnih istosmjernih motora, motora s glavčinama električnih/motocikla i aluminijsko-magnezijskih legura za električna vozila, kombiniramo rigorozan sustav kontrole kvalitete ISO 9001, zrele prakse upravljanja i vrhunsku opremu za proizvodnju/ispitivanje kako bismo pružili pouzdana rješenja.

A nyersanyagöntéstől a végtermék kiszállításáig terjedő, teljes körű szolgáltatásainkkal változatos piacokat szolgálunk ki, beleértve az elektromos kerékpárokat, tehergépjárműveket, önvezető járműveket (AGV), golfkocsikat, mezőgazdasági gépeket és e-gokartokat. Több mint 9000 négyzetméteres telephelyünkön (5000 négyzetméter beépített terület) több mint 60 egységnyi fejlett gyártóberendezés található, beleértve az 500 tonnás nyomásöntő gépeket, precíziós CNC szerszámgépeket, lézeres jelölőrendszereket, mikroíves oxidációs sorokat és két dedikált elektromos járműmotor-tesztpadot. Ez az infrastruktúra biztosítja a hatékony termelést és a nemzetközi minőségi szabványok szigorú betartását.

U HENTACH-u (Hengtai) dajemo prednost visokokvalitetnim materijalima i zaštićenoj tehnologiji—naša patentirana oprema od najlona i čelika dokaz je naše inženjerske izvrsnosti. Kako bismo potvrdili trajnost, jednom smo pokrenuli program jamstva kilometraže za motore veće od 30.000 milja. Rezultat? Preko 50 motora ne samo da je ispunilo ovo mjerilo, već ga je i nadmašilo, a neki su dosegnuli impresivnih 50 000 milja. Ova izvedba u stvarnom svijetu odražava našu nepokolebljivu usredotočenost na pouzdanost i motivira nas na stalne inovacije za pametnija, jača motorna rješenja.​
Vjerujte robnoj marki poznatoj u svijetu i kao Hengtai Motor i HENTACH Motor—gdje se patentirana inovacija čeličnih zupčanika susreće s dokazanom izdržljivošću.

Ovjerio Certifikati