Cesta / E-cesta

Motor stražnje glavčine PROLAZNE OSOVINE D-TIPA

Motor sa stražnjom glavčinom KROZ OSOVINE D-TYPE, dizajniran za e-MTB i e-cestovne/Graval bicikle, teži samo 2,4 kg(kazeta je uključena) s prolaznom osovinom od 148 mm. Njegov lagani dizajn i struktura osovine osiguravaju veliku čvrstoću i stabilnost tijekom vožnje velikom brzinom. S nazivnom snagom od 48 V 250 W i preko 50 Nm zakretnog momenta pri zaustavljanju, kompatibilan je s kazetom senzora zakretnog momenta, pružajući glatko ubrzanje i brz odziv za različite terene.

Ključni parametar
Struktura motora: Nazivni napon (V): Nazivna snaga (W):
Outrunner Hub Motor 36-48 (prikaz, ostalo). 220-250 (prikaz, ostalo).
Najveći zakretni moment (N.m.): Težina (KG): STARI (mm):
>50 NM 2.4(S kazetom) 141
detaljne informacije
  • Motor stražnje glavčine PROLAZNE OSOVINE D-TIPA
  • Motor stražnje glavčine PROLAZNE OSOVINE D-TIPA
Ningbo Yinzhou HENTACH Electromechanical Co., Ltd. Product Parameters Ningbo Yinzhou HENTACH Electromechanical Co., Ltd. Drawing Ningbo Yinzhou HENTACH Electromechanical Co., Ltd. Contact Us

Osnovni podaci

Nazivna snaga 220-250 (prikaz, ostalo).
Nazivni napon 36-48 (prikaz, ostalo).
Promjer kotača 20-28 (prikaz, ostalo).
Raspon brzine 25-32 (prikaz, ostalo).
Maksimalni okretni moment >50 NM
Prijenosni omjer 6.3
Težina (KG) 2.4(S kazetom)

Instalacijski parametri

kočnica disk kočnica
Kaseta senzora momenta da
Trasa kabliranja Lijeva strana osovine
Otvor za žbice 2-18-F3.2
Ocjena vodootpornosti IP54 (do IP65)
Zamašnjak/lančanik Kaseta 7-12 brzina/Kazeta 7-12 brzina
Certifikati TUV/EN15194/RoHS

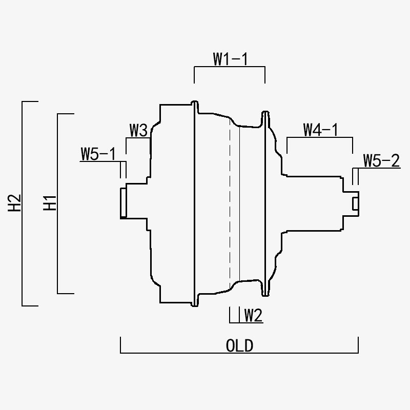
H1/ OD: 112
H2/OD motora: 128
W1(-1/-2): 44
W2: 6
W3: 15.25
W4(-1/-2): 42.5
W5(-1/-2): 3.5
STARI: 141
Duljina osovine: 148
Ningbo Yinzhou HENTACH Electromechanical Co., Ltd.
kontaktirajte nas
  • Pošaljite i pošaljite
Ningbo Yinzhou HENTACH Electromechanical Co., Ltd.
ŠTO NAS IZDVAJA
  • Patentirani zupčanik od plastičnog čelika: 5 puta veći okretni moment od najlonskog zupčanika; životni vijek veći od 40 000 km; niža usluga nakon prodaje

  • Motor s vanjskim rotorom: stabilnija struktura i manja stopa kvarova u usporedbi s unutarnjim rotorom

  • Standardna struktura bačvaste osovine od 10 mm, lakša i manja, s otvorom zupčanika od 142 mm, može postići okretni moment od >50 NM, motor bačvaste osovine od 250 W s najvećim okretnim momentom na tržištu

TKO SMO MI Više od 20 godina proizvodnog iskustva.

Ningbo Yinzhou HENTACH Electromechanical Co., Ltd. (Prije Hengtai Motor) Osnovani 1995. i ranije poznati kao "Hengtai Motor" (kineski naziv naše tvrtke), službeno smo prihvatili engleski naziv "HENTACH Motor" 2020. Oba imena predstavljaju istog pouzdanog proizvođača posvećenog elektromehaničkim inovacijama više od 30 godina. Specijalizirani za lijevanje i preciznu obradu minijaturnih istosmjernih motora, motora s glavčinama električnih/motocikla i aluminijsko-magnezijskih legura za električna vozila, kombiniramo rigorozan sustav kontrole kvalitete ISO 9001, zrele prakse upravljanja i vrhunsku opremu za proizvodnju/ispitivanje kako bismo pružili pouzdana rješenja.

A nyersanyagöntéstől a végtermék kiszállításáig terjedő, teljes körű szolgáltatásainkkal változatos piacokat szolgálunk ki, beleértve az elektromos kerékpárokat, tehergépjárműveket, önvezető járműveket (AGV), golfkocsikat, mezőgazdasági gépeket és e-gokartokat. Több mint 9000 négyzetméteres telephelyünkön (5000 négyzetméter beépített terület) több mint 60 egységnyi fejlett gyártóberendezés található, beleértve az 500 tonnás nyomásöntő gépeket, precíziós CNC szerszámgépeket, lézeres jelölőrendszereket, mikroíves oxidációs sorokat és két dedikált elektromos járműmotor-tesztpadot. Ez az infrastruktúra biztosítja a hatékony termelést és a nemzetközi minőségi szabványok szigorú betartását.

U HENTACH-u (Hengtai) dajemo prednost visokokvalitetnim materijalima i zaštićenoj tehnologiji—naša patentirana oprema od najlona i čelika dokaz je naše inženjerske izvrsnosti. Kako bismo potvrdili trajnost, jednom smo pokrenuli program jamstva kilometraže za motore veće od 30.000 milja. Rezultat? Preko 50 motora ne samo da je ispunilo ovo mjerilo, već ga je i nadmašilo, a neki su dosegnuli impresivnih 50 000 milja. Ova izvedba u stvarnom svijetu odražava našu nepokolebljivu usredotočenost na pouzdanost i motivira nas na stalne inovacije za pametnija, jača motorna rješenja.​
Vjerujte robnoj marki poznatoj u svijetu i kao Hengtai Motor i HENTACH Motor—gdje se patentirana inovacija čeličnih zupčanika susreće s dokazanom izdržljivošću.

Ovjerio Certifikati