E-teret

P-Type R500 motor stražnje glavčine

Motor stražnje glavčine bicikla P-Type R500 E-Cargo dizajniran posebno za primjenu u teretnom vozilu, može se pohvaliti nazivnom snagom od 500 W, pružajući snažnu i stabilnu snagu za teške terete i transport na velike udaljenosti. Osigurava učinkovite i stabilne performanse u složenim gradskim uvjetima, na padinama ili kada je potpuno opterećen, značajno povećavajući učinkovitost tereta. Osim toga, smanjuje potrošnju energije na ravnom terenu i pri većim brzinama, poboljšavajući ukupnu učinkovitost biciklizma.

Ključni parametar
Struktura motora: Nazivni napon (V): Nazivna snaga (W):
Motor glavčine sa stražnjim pogonom 36-48 (prikaz, ostalo). 350-500 (prikaz, stručni).
Najveći zakretni moment (N.m.): Težina (KG): STARI (mm):
50 3.85 160
detaljne informacije
  • P-Type R500 motor stražnje glavčine
  • P-Type R500 motor stražnje glavčine
Ningbo Yinzhou HENTACH Electromechanical Co., Ltd. Product Parameters Ningbo Yinzhou HENTACH Electromechanical Co., Ltd. Drawing Ningbo Yinzhou HENTACH Electromechanical Co., Ltd. Contact Us

Osnovni podaci

Nazivna snaga 350-500 (prikaz, stručni).
Nazivni napon 36-48 (prikaz, ostalo).
Promjer kotača 20-26 (prikaz, ostalo).
Raspon brzine 25-35 (prikaz, stručni).
Maksimalni okretni moment 50
Prijenosni omjer 5
Težina (KG) 3.85

Instalacijski parametri

kočnica Disk kočnica
Kaseta senzora momenta br
Trasa kabliranja Osovina središnja lijeva
Otvor za žbice 2-18-F3.2
Ocjena vodootpornosti IP54 (do IP65)
Zamašnjak/lančanik Rotacijski 7-brzinski
Certifikati TUV/EN15194/RoHS

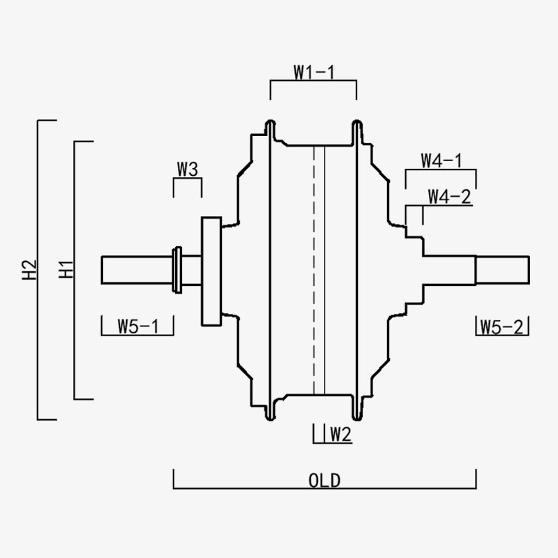
H1/ OD: 136.5
H2/OD motora: 158.5
W1(-1/-2): 45.5
W2: 6
W3: 15
W4(-1/-2): 37/9
W5(-1/-2): 38/28
STARI: 160
Duljina osovine: 226
Ningbo Yinzhou HENTACH Electromechanical Co., Ltd.
kontaktirajte nas
  • Pošaljite i pošaljite
Ningbo Yinzhou HENTACH Electromechanical Co., Ltd.
ŠTO NAS IZDVAJA
  • Snažan motor glavčine sa stražnjim pogonom dizajniran posebno za bicikle s debelim gumama s električnim pogonom, sa 7-brzinskim rotirajućim zamašnjakom, otvorom zupčanika od 160 mm i nazivnom snagom do 500 W.

  • Patentirani plastični čelični zupčanik: 5 puta veći okretni moment od najlonskih zupčanika; životni vijek veći od 40.000 kilometara; manja postprodaja

  • Zakretni moment veći od 50 NM, dizajniran posebno za eCargo.

TKO SMO MI Više od 20 godina proizvodnog iskustva.

Ningbo Yinzhou HENTACH Electromechanical Co., Ltd. (Prije Hengtai Motor) Osnovani 1995. i ranije poznati kao "Hengtai Motor" (kineski naziv naše tvrtke), službeno smo prihvatili engleski naziv "HENTACH Motor" 2020. Oba imena predstavljaju istog pouzdanog proizvođača posvećenog elektromehaničkim inovacijama više od 30 godina. Specijalizirani za lijevanje i preciznu obradu minijaturnih istosmjernih motora, motora s glavčinama električnih/motocikla i aluminijsko-magnezijskih legura za električna vozila, kombiniramo rigorozan sustav kontrole kvalitete ISO 9001, zrele prakse upravljanja i vrhunsku opremu za proizvodnju/ispitivanje kako bismo pružili pouzdana rješenja.

A nyersanyagöntéstől a végtermék kiszállításáig terjedő, teljes körű szolgáltatásainkkal változatos piacokat szolgálunk ki, beleértve az elektromos kerékpárokat, tehergépjárműveket, önvezető járműveket (AGV), golfkocsikat, mezőgazdasági gépeket és e-gokartokat. Több mint 9000 négyzetméteres telephelyünkön (5000 négyzetméter beépített terület) több mint 60 egységnyi fejlett gyártóberendezés található, beleértve az 500 tonnás nyomásöntő gépeket, precíziós CNC szerszámgépeket, lézeres jelölőrendszereket, mikroíves oxidációs sorokat és két dedikált elektromos járműmotor-tesztpadot. Ez az infrastruktúra biztosítja a hatékony termelést és a nemzetközi minőségi szabványok szigorú betartását.

U HENTACH-u (Hengtai) dajemo prednost visokokvalitetnim materijalima i zaštićenoj tehnologiji—naša patentirana oprema od najlona i čelika dokaz je naše inženjerske izvrsnosti. Kako bismo potvrdili trajnost, jednom smo pokrenuli program jamstva kilometraže za motore veće od 30.000 milja. Rezultat? Preko 50 motora ne samo da je ispunilo ovo mjerilo, već ga je i nadmašilo, a neki su dosegnuli impresivnih 50 000 milja. Ova izvedba u stvarnom svijetu odražava našu nepokolebljivu usredotočenost na pouzdanost i motivira nas na stalne inovacije za pametnija, jača motorna rješenja.​
Vjerujte robnoj marki poznatoj u svijetu i kao Hengtai Motor i HENTACH Motor—gdje se patentirana inovacija čeličnih zupčanika susreće s dokazanom izdržljivošću.

Ovjerio Certifikati